[拼音]:ranqi touping
[外文]:gas turbine
燃气轮机中把高温高压燃气的能量转变为机械功的部件,又称燃气涡轮。燃气透平也可用于其他装置中作为利用高温压力气体来作功的设备。
燃气透平一般采用轴流式,仅在燃气流量很小(例如100千瓦以下的燃气轮机中)时才较多采用向心式。轴流式燃气透平主要由静子和转子组成。静子中装有静叶片,转子上装有动叶片(见透平叶片)。从燃气轮机燃烧室来的叶片中膨胀加速后流入动叶片,对动叶片产生作用力使转子旋转,把燃气的能量转化为机械功,使燃气透平能带动负荷和压气机运行。由一列静叶片和一列动叶片组成的透平级的转换能量有限,故常用多个级来完成能量转换。在燃气透平中一般为2~5级。为达到高效率,燃气透平中都采用扭转叶片,并在大量实验数据的基础上精心设计。此外,燃气透平出口装有扩压器,使排气扩压降速,以减少出口速度损失。因此,燃气透平效率可达到较高水平,一般为85~91%。
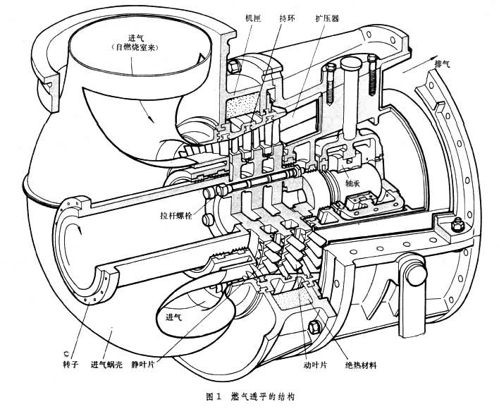
结构燃气透平(图 1)由于在高温下工作,热膨胀、热应力、热腐蚀和冷却等问题突出,对结构设计的要求很高。从燃烧室来的燃气,经过进气蜗壳、3个透平级和扩压器后排出。它的静子由机匣(又称气缸)、持环和静叶片等组成,静叶片装在持环上,持环再装在机匣上,是一种双层结构的静子。在机匣与持环之间有绝热材料,还通以空气(从压气机中引来,其他部位用的冷却空气也由此引来)冷却,因而机匣的工作温度较低。由拉杆螺栓将轮盘等联接而成的组合式转子,能减少热应力。动叶片以承载能力强的枞树形叶根(图2)装在轮盘上。转子中也通以冷却空气,以降低轮盘等的工作温度。
双层静子和组合式转子有显著的优点,在燃气透平中得到普遍应用。在进口燃气初温很高的燃气透平中,持环与燃气也隔开,形成多层结构的静子。通常冷却后轮盘的温度最高不超过 550℃,以便采用热膨胀系数低、导热系数高且较便宜的珠光体钢来做轮盘。机匣则能在更低的温度(例如 400℃左右)下工作,以便能用球墨铸铁等较普通的材料来制造。
燃气透平的静叶片较多地用抗热疲劳性能好的钴基高温材料制作,动叶片则广泛用镍基高温材料制作。为增强抗热腐蚀的能力,叶片表面较普遍地采用防腐蚀的保护措施,例如防腐蚀涂层和表面渗铝等。
叶片冷却采用由空气从内部冷却的空心叶片后,可使叶片在实际温度高于材料许可值的燃气包围下,本身温度仍低于材料的许可值而安全工作。这样就能在已有的高温材料基础上更多地提高燃气初温,从而有效地提高燃气轮机效率。因此,发展冷却叶片和提高冷却效果,是提高燃气轮机效率的一条重要途径。图2中,对流、冲击、气膜和综合冷却是常用的几种叶片冷却方式。综合冷却是前三者的联合应用,能有效地提高冷却效果,并使冷却后叶片的温度趋于均匀。发散冷却的效果比综合冷却好得多,用水来冷却叶片也能达到很好的效果,这两种冷却方式尚处于试验阶段。
