重金属废水主要来自矿山、冶炼、电解、电镀、农药、医药、油漆、颜料等企业排出的废水。重金属废水的处理方法可分为两类:①使废水中呈溶解状态的重金属转变成不溶的金属化合物或元素,经沉淀和上浮从废水中去除,如中和沉淀法、硫化物沉淀法、上浮分离法、电解沉淀(或上浮)法、隔膜电解法等。②将废水中的重金属在不改变其化学形态的条件下进行浓缩和分离,如反渗透法、电渗析法、蒸发法和离子交换法等。这些方法应根据废水水质、水量等情况单独或组合使用。
人体内Ni过量,初期发生头晕、头痛,有时恶心呕吐,长期过量则发高烧,呼吸困难等,甚至中枢神经障碍,一时精神错乱。若Ni在水中与羰基化合物结合形
成羰基镍则毒性很强。
尽管处理镍离子废水方法很多,但淀粉黄原酸酯处理重金属废水作为一种传统的方法不仅可以完全净化废水,而且能有效回收重金属,在取得环境效益的同时,还能获得经济效益和社会效益。它具有能耗低,操作简便的特点;具有化学沉淀、离子交换及吸附等多种功能;高分子絮凝使沉淀易于固液分离,反应迅速,沉降快;价格低廉,功效好,交换容量大;残渣稳定,无二次污染;回收的重金属可采用简单的燃烧去除,重金属资源易于综合利用。
本文采用自制的DX-4对Ni2+废水进行处理,对淀粉黄原酸酯处理重金属废水进行研究。
1 试验原料
本试验所用的含Ni2+废水取自株洲冶炼厂低浓度含Ni2+废水,Ni2+浓度为30.00mg/L;DX-4为自制的不溶性交联淀粉黄原酸酯(交联淀粉-O-CSS-Mg-SSC-O-交联淀粉)(InsolubleStarchXantate-ISX),淡黄色粉末,不溶于水,易与重金属离子作用,经浓硝酸处理后回收重金属,或者直接加热回收重金属。
2 试验研究
2.1 DX-4用量对Ni2+残余浓度和脱除率的影响
在100mL含Ni2+溶液中加入含S8.41%的DX-4,溶液pH值为8.0,缓慢搅拌反应35min,Ni2+残余浓度和脱除率随DX-4用量变化如图1。

由图1可知,DX-4用量为128mg以上时,Ni2+残余量基本保持不变,金属残余量在0.06mg/L以下,脱除率达99.8%以上。
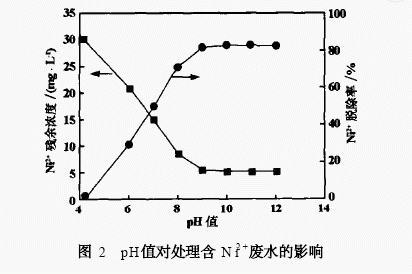
2.2 pH值对Ni2+残余浓度和脱除率的影响
为对比DX-4处理重金属离子废水,首先进行了NaOH沉降处理Ni2+废水的实验研究。逐步加入NaOH,调节废水pH值,含镍废水的初始pH值为4.2,试验结果如图2。

从图2可知,在pH值<9时,随着NaOH的加入,pH值增加,废水中镍含量迅速减少,当pH值>9时,镍含量几乎没有变化。
固定Ni2+的初始浓度为30mg/L,加入DX-4(含S8.41%)128mg,搅拌30min,调节溶液pH值为3~11,测出不同pH值条件下Ni2+的残余浓度和脱除率,试验结果见图3。

由图3可知,用DX-4脱除Ni2+实验中,随着pH值增大,脱除率提高,当pH>9时,基本不变,此时脱除率达到最高值,大于99%,一般采用pH值为8。DX-
4的加入,在相同的pH值下,镍在废水中的含量显著降低。
2.3 反应时间对处理含Ni废水的影响
在中性条件下,在100mL含Ni2+溶液中加入128mg的DX-4(含S8.41%),缓慢搅拌,经不同反应时间,测定反应后水样中残余浓度和脱除率,结果见
图4。

由图4可知,反应刚开始时,Ni2+残余浓度随反应时间的增加急剧下降,当反应时间大于30min后,不再随时间变化。DX-4与Ni2+反应迅速,反应5min
脱除率已大于90%,且残余浓度已低于国家排放标准。
2.4 Ni2+离子浓度对交换容量的影响
取不同浓度的Ni2+水样100mL,加入177mg的DX-4(含S8.41%),振荡20h,测定残余离子浓度,计算DX-4交换容量,如图5所示。由图5可知,在所测定的范围内,DX-4的交换容量与水样中所含离子浓度成正比。

2.5 DX-4含硫量对交换容量的影响
DX-4产品的交换容量与产品硫含量同样存在一定的关系。
Ni2+初始浓度均为50mg/L,分别加入不同硫含量的DX-4药剂340mg,在振荡机上振荡20h,测定溶液pH值及水中残余离子含量,试验结果见图6。由
图6可知,DX-4中的硫含量越高,脱除率越强。硫含量较低时,交换容量随硫含量的升高呈直线上升,随着硫含量的升高,曲线逐渐变平。

2.6 残渣稳定性测试
处理废水的沉淀中集中了99%以上的重金属,这些残渣是否会引起二次污染,这是十分重要的问题。
分别称取Ni2DX-4残渣,质量为1.6g,用不同pH值的水溶液1L浸泡处理残渣,30d后,用原子吸收光谱测定浸泡液中金属析出量,见表1。

由表1可知,残渣物十分稳定,在酸性及碱性溶液中,均不被破坏,浸出率低。因此,即使经长时间浸泡,也不会引起二次污染。相当浓的硫酸(4mol/L)、硝酸(4mol/L)才能破坏沉淀物,因此,可用此方法回收废水中重金属。
3 结语
1)DX-4脱除Ni2+效果显著,经一次处理后,残留离子浓度低,反应快,5min脱除率可达90%以上。
2)DX-4脱除废水中的Ni2+,可在较宽pH值范围内使用,处理后的废水符合国家工业废水排放标准。
3)经DX-4处理后的废水残渣,化学性质稳定,一般条件下,无二次污染。残渣只能用强酸溶解。














