[拼音]:xing-sanjiao qidongqi
[外文]:star-delta starter
通过改变交流三相鼠笼式感应电动机定子绕组接法而达到起动目的的起动器。这种起动器在起动时将电动机定子绕组接成星形,而运转时又将其改接成三角形。电动机起动时接成星形可以降低电动机的起动电流,减轻对电网的冲击。星-三角起动器结构简单,轻载时可使电动机在星形接法下运行,使电动机的额定转矩与负载匹配,从而提高电动机的效率,节约能源。
星-三角起动器有手动式和自动式两种。
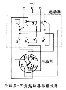
图示为手动星-三角起动器的原理线路。当操作手柄扳到起动位置时,触头1、3、5、7、8接通,电动机定子绕组被接成Y形(星形);当操作手柄扳到运转位置时,触头1、2、4、5、6、8接通,电动机定子绕组被接成△形(三角形)。星-三角起动器起动转矩较小,为此,常采取另一种接线方法,即在电动机起动时,使其定子绕组既含有星形接法,又含有三角形接法,从而得到介于星形接法与三角形接法之间的起动转矩。这种接线方法是:将电动机三相定子绕组的内半部接成三角形,而外半部有如三角形三个边的延长。这种起动器被称为延边三角形起动器,它是星-三角起动器的一种改进型式。
