[拼音]:xitugu yingci hejin
[外文]:rare earth-cobalt hard magnetic alloys
是稀土金属与钴组成的金属间化合物硬磁合金。其中,稀土金属主要是钐、镨、铈和一部分重稀土金属或它们的组合;钴可以部分地以铜、铁或其他过渡族金属取代。
美国内斯比特 (E.A.Nesbitt)等和哈伯德(W.H.Hubbard)等先后于1959及 1960年研究了GdCo5化合物的铁磁性质和单轴磁各向异性。1966~1967年,美国施特尔纳特(K.J.Strnat)和贝克尔(J.J.Becker)分别制成了有实用价值的YCo5和SmCo5粉末压制磁体。1968年,荷兰布绍(K.H.J. Buschow)用流体静压方法制成磁能积为18.5MGs·Oe(1MGs·Oe≈8kJ/m3)的SmCo5粉末压制磁体。1969年美国达斯(D.K. Das)用固相烧结法、1970年美国本茨(M.G.Benz)等用液相烧结法制成性能稳定、磁能积为20MGs·Oe的SmCo5的磁体;从此开始了稀土钴硬磁合金的工业规模生产。这一时期还出现了还原扩散法制备RCo5(简称1-5型,R表示稀土元素)合金的新工艺。1971年系统地研究了R2(Co,Fe)17(简称2-17型)赝二元化合物,理论上估计磁能积上限为60MGs·Oe。1973~1975年日本制成相分解硬化型的Sm(Co,Cu,Fe)7硬磁合金,1977年进一步制成磁能积为30MGs·Oe的Sm(Co,Fe,Cu,Zr)7·4硬磁合金。1980年,这种2-17型合金磁能积达到33MGs·Oe。中国于1969年研制1-5型烧结磁体。70年代以后,陆续制成 Sm(Co,Cu,Fe)7高性能辐向磁体、磁能积为30MGs·Oe的磁体以及低温度系数磁体等 2-17型稀土钴硬磁合金。现在已能生产多种稀土钴硬磁合金。
稀土钴金属间化合物硬磁合金为六方晶系,磁晶各向异性极强,内禀矫顽力和磁能积很高,居里点高。
类别一般分为五类:
(1)矫顽力大的1-5型合金,如SmCo5。室温时的矫顽力最高值为60kOe。
(2)廉价稀土钴合金,如Ce(Co,Cu,Fe)5。因使用价廉的铈或混合稀土金属而使合金的价格明显降低。
(3)高磁能积 2-17型合金,如Sm(Co,Cu,Fe,Zr)7·4。适当调整成分和热处理工艺,也可达到较大的矫顽力。
(4)低温度系数合金。重稀土金属Gd、Dy、Ho和Er等取代部分Sm,使合金的磁化强度在-50~+100℃范围内几乎不随温度变化,磁化强度的可逆温度系数在此范围内可控制在0到7×10-5℃-1以内。由于重稀土的加入,饱和磁化强度明显降低。1-5型低温度系数合金的磁能积较低,但2-17型低温度系数合金的磁能积已达22MGs·Oe。
(5)粘结磁体,以树胶、塑料或软金属粘结的稀土钴合金粉末压结体。与 1-5型粘结磁体相比,2-17型合金所制成的粉末粘结磁体在保持较大矫顽力条件下可密集充填,所以磁能积较高,已达16~19MGs·Oe。各类典型稀土钴硬磁合金的性能见附表。最佳磁体的去磁曲线见图1。
机制
稀土钴硬磁合金的种类较多,但决定硬磁性能的矫顽力机制主要为下列两种:
(1)单相合金中反磁化畴在缺陷处的成核;成核愈难,矫顽力愈大。
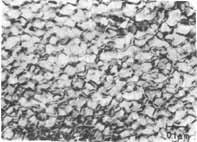
(2)多相合金中析出相作为磁畴壁的钉扎中心阻滞壁移;钉扎愈强,矫顽力愈大。1-5型合金的矫顽力主要由成核决定,但实际上晶界对畴壁也有显著的钉扎作用。2-17型合金的矫顽力主要决定于钉扎。这类合金经高温固溶以获得合适的均匀基相,再经较低温的时效处理以形成最佳分布的胞状微结构(图2所示),胞壁和胞体具有不同的畴壁能而钉扎畴壁。在磁化和反磁化过程中,成核与钉扎对应着不同的磁化行为,它们的初始磁化曲线及去磁曲线具有不同的特征,如图3。
用途
稀土钴硬磁合金特别适用于要求磁体体积小,产生的磁场强度大和磁体呈薄片(垂直于片平面方向磁化)状的场合。一般用于电机装置(如精密直流电机)、粒子束聚焦系统(如行波管)、家用电器(如薄形扬声器)、磁悬浮技术(如磁轴承)、仪器仪表(如电子计算机中的打印机和陀螺仪中的力矩器),以及医疗器械等。图4为中国制造的挠性陀螺仪力矩器,其中采用了Sm(Co,Cu,Fe)7辐向磁体。
生产工艺
稀土硬磁合金大致有三种制造方法:
(1)冶炼-制粉-烧结法;
(2)还原扩散-烧结法;
(3)粉末粘结法。在上述方法中,熔炼、烧结、热处理等都应在氩气保护下进行。制粉时以氮或氩气进行气流磨粉,或在液体介质中球磨制粉。在制备稀土钴硬磁合金磁体或部件时,常用磁取向、等静压、磁硬化等技术。
- 参考书目
- E.A.Nesbitt & J.H.Wernik,Rare Earth Permanent Magnets,Academic Press,New York,1973.
- K.J. Strnat, Rare Earth Magnets in PresentProduction and Development, J. Magnetism and Magnetic Materials,Vol.7,pp.351~360,1978.
